鸿光牌电子镇流器电路剖析
鸿光牌电子镇流器号称“无污染”,经销商说这种镇流器在工作时不会对其他电器造成干扰(普通电子镇流器在工作时会产生大量谐波,若滤波电路不佳,就会使这些谐波进入电网,对其他家用电器造成影响),只要灯管不漏气,就是断了灯丝的灯管也能使用,而且节能效果显著。禁不住经销商的诱惑,笔者购买了两个这种镇流器。试用后,觉得其效果还可以。用调压器调节输入电压在160~240V时均能点亮灯管,亮度也与使用普通电感镇流器相差无几(至于能否点亮断丝灯管,笔者没有试验)。将其拆开后,发现其内部电路相当简单,现介绍给读者,供有兴趣者仿制。
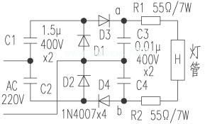
该镇流器电路如附图所示。电容C1、C2为降压电容,D1~D4为整流二极管,C3、C4为启辉电容。R1、R2为限流电阻。220V电源电压经过D1~D4、C3、C4组成的倍压整流电路后,a、b两端电压可达600V以上,这一电压完全可以使灯管H启辉点亮。
按:正确地说,这是一个四倍压整流电路,在灯管未启辉或未装灯管时,a、b两端电压可达4×√2×220≈1200V。这种电路的优点是,因为根本未对灯丝预热,故断丝也无妨,即使两端均已断丝的灯管仍可再利用。其缺点是,由于种种原因,有时不能一次启动点亮,需开/关电源多次启动才能点亮。此外,它不一定“节能”,因其限流电阻R1、R2的耗散功率不一定小于镇流器的有功功率。读者如要仿制,C3、C4以取耐压630V为宜。
本文出自家电维修网: http://www.bjjdwx.com/wz/2008-11-30/996.html欢迎转载,转载请保留链接。- 刊登此文只为传递信息,并不表示赞同或者反对作者观点。
- 如果此内容给您造成了负面影响或者损失,本站不承担任何责任。
- 如果内容涉及版权问题,请及时与我们取得联系。
上一篇:自动增压蓄水系统
下一篇:简易荧光灯电子启辉器

文章评论